आम्हाला ईमेल करा
उत्पादने
टीएसी वायवीय टॉगल वाल्व्ह
  • टीएसी वायवीय टॉगल वाल्व्हटीएसी वायवीय टॉगल वाल्व्ह

टीएसी वायवीय टॉगल वाल्व्ह

व्यावसायिक उत्पादन म्हणून, ओएलके आपल्याला टीएसी वायवीय टॉगल वाल्व्ह प्रदान करू इच्छित आहे. आणि ओएलके आपल्याला विक्रीनंतरची सर्वोत्तम सेवा आणि वेळेवर वितरण देईल.

टीएसी वायवीय टॉगल वाल्व (स्विच वाल्व म्हणून देखील ओळखले जाते) एक अचूक स्विचिंग घटक आहे जो विशेषत: वायवीय प्रणाली आणि द्रव नियंत्रणासाठी डिझाइन केलेला आहे. त्याच्या अद्वितीय टॉगल-प्रकार नियंत्रण संरचनेसह, ते जलद स्विचिंग आणि द्रव पथांचे अचूक नियंत्रण प्राप्त करते.

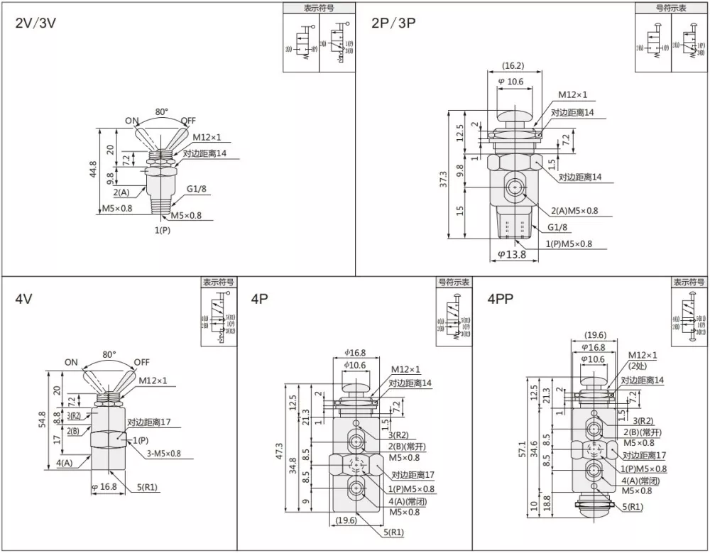
टीएसी मालिका टॉगल वाल्वमध्ये 2 स्थान 2 मार्ग आहे, 2 स्थिती 3 मार्ग आणि 2 स्थिती 5 मार्ग निवडला जाऊ शकतो. लीव्हर प्रकार आणि दोन प्रकारचे धागा: एम 5, जी 1/8.

अनुप्रयोग परिदृश्य

औद्योगिक ऑटोमेशन उपकरणे, यांत्रिक प्रक्रिया, इमारत साहित्य प्रक्रिया, ऊर्जा आणि खाण, अन्न व पेय उद्योग, वैद्यकीय उपकरणे इ.

उत्पादन वैशिष्ट्ये

हे आकारात लहान आहे, त्यास थोडीशी स्थापना करण्याची जागा आवश्यक आहे, आणि व्यक्तिचलितपणे ऑपरेट करण्यासाठी अंतर्ज्ञानी आहे, ज्यामुळे वारंवार स्विचिंगची आवश्यकता असते अशा परिस्थितीसाठी ते योग्य बनते.

टीएसी टॉगल वाल्व्ह प्रतीक आणि बाह्यरेखा

ओडेरिंग कोड

टीएसी

2

__

2

P

 

 

 

 

 

टीएसी मालिका टॉगल वाल्व्ह

 

 

2: 2 पोझिशन 2 वे (एम 5)

पी: पुश-पुल बटण प्रकार

 

 

 

3: 2 स्थिती 3 मार्ग (एम 5)

V: हँड लीव्हर प्रकार

 

 

 

4: 2 शक्ती 5 मार्ग (एम 5)

पीपी: डबल पुश-पुल बटण

 

 

 

31: 2 स्थिती 3 मार्ग (जी 1/8)

 

 

 

 

41: 2 शक्ती 5 मार्ग (जी 1/8)

 

 

मॉडेल

पोर्ट आकार

 

क्रमांक
स्थिती

प्रभावी  
क्रॉस-सेक्शनल क्षेत्र

दबाव श्रेणी

कार्यरत द्रव

सभोवतालचे
तापमान

 

टीएसी -2 व्ही

इनलेट = आउटलेट = एम 5   

2 स्थिती 2 मार्ग

1.9 मिमी²

0.05 ~ 0.9ppa

हवा

0 ~ 60

टीएसी -2 पी

इनलेट = आउटलेट = एम 5   

2 स्थिती 2 मार्ग

1.9 मिमी²

टीएसी -3 व्ही

इनलेट = आउटलेट = एम 5   

2 स्थिती 3 मार्ग

1.9 मिमी²

टीएसी -3 पी

इनलेट = आउटलेट = एम 5   

2 स्थिती 3 मार्ग

1.9 मिमी²

टीएसी -4 व्ही

इनलेट = आउटलेट = एम 5   

2 स्थिती 5 मार्ग

1.9 मिमी²

टीएसी -4 पी

इनलेट = आउटलेट = एम 5   

2 स्थिती 5 मार्ग

1.9 मिमी²

4 पीपी

जी 1/8

 

2 स्थिती 5 मार्ग

4.5 मिमीही

TAC2-31V

इनलेट = आउटलेट = एक्झॉस्ट = जी 1/8   

2 स्थिती 3 मार्ग

4.5 मिमीही

TAC2-31P

इनलेट = आउटलेट = एक्झॉस्ट = जी 1/8   

2 स्थिती 3 मार्ग

4.5 मिमीही

TAC2-41V

इनलेट = आउटलेट = जी 1/8 एक्झॉस्ट = एम 5

2 स्थिती 5 मार्ग

4.5 मिमीही

टीएसी 2-41 पी

इनलेट = आउटलेट = जी 1/8 एक्झॉस्ट = एम 5

2 स्थिती 5 मार्ग

4.5 मिमीही

TAC2-41PP

इनलेट = आउटलेट = जी 1/8 एक्झॉस्ट = एम 5

2 स्थिती 5 मार्ग

4.5 मिमीही

FAQ:

टॉगल वाल्व आणि मेकॅनिकल वाल्व्हमध्ये काय फरक आहे?

हे टॉगल वाल्व्ह आणि मेकॅनिकल वाल्व्हला कंट्रोल प्रकारानुसार वेगळे केले जाऊ शकते: टॉगल वाल्व म्हणजे पिन लीव्हर होल्डिंग प्रकार, मेकॅनिकल वाल्व पुश-पुल बटण प्रकार किंवा रोलर प्रकार आहे

 

टॉगल वाल्व आणि इतर वाल्व्हमध्ये काय फरक आहे?

अचूक नियंत्रण: टॉगल वाल्व्ह शंकूच्या आकाराचे वाल्व कोरद्वारे बारीक प्रवाह नियमन साध्य करते, जे लहान-व्यासाच्या पाइपलाइनमध्ये अचूक नियंत्रणासाठी योग्य आहे, तर बॉल वाल्व्ह द्रुत उघडणे आणि बंद करण्याच्या ऑपरेशन्ससाठी अधिक योग्य आहे.

हॉट टॅग्ज: टीएसी वायवीय टॉगल वाल्व, चीन, निर्माता, पुरवठादार, फॅक्टरी
चौकशी पाठवा
संपर्क माहिती
  • पत्ता

    झेंगताई रोड, झिंगुआंग इंडस्ट्रियल झोन, लियुशी, युइकिंग, वेन्झो, झेजियांग, चीन.

  • दूरध्वनी

    86-0577 57178620

  • ई-मेल

    cici@olkptc.com

आमच्या वेबसाइटवर आपले स्वागत आहे! आमच्या उत्पादनांबद्दल किंवा किंमत सूचीबद्दल चौकशीसाठी, कृपया आम्हाला तुमचा ईमेल द्या आणि आम्ही 24 तासांच्या आत संपर्कात राहू.
ई-मेल
cici@olkptc.com
दूरध्वनी
86-0577 57178620
मोबाईल
+86-13736765213
पत्ता
झेंगताई रोड, झिंगुआंग इंडस्ट्रियल झोन, लियुशी, युइकिंग, वेन्झो, झेजियांग, चीन.
X
आम्ही तुम्हाला एक चांगला ब्राउझिंग अनुभव देण्यासाठी, साइट रहदारीचे विश्लेषण करण्यासाठी आणि सामग्री वैयक्तिकृत करण्यासाठी कुकीज वापरतो. ही साइट वापरून, तुम्ही आमच्या कुकीजच्या वापरास सहमती देता. गोपनीयता धोरण
नकार द्या स्वीकारा